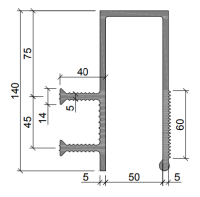
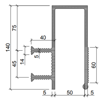
Гидрошпонка ПВХ Аквастоп ДЗС-140/50-2/40
Гидрошпонка от компании АКВАСТОП используется для монтажа и ремонта гидроизоляции технологических, деформационных и осадочных швов бетонирования в железобетонных конструкциях. Является незаменимым элементом при качественном строительстве торговых центров, складов, туннелей, шахт, метрополитенов и других заглубленных сооружений. Хорошо справляется с нагрузками от грунтовых, сточных, дождевых и поверхностных вод. Тип ДЗС – это П-образная гидрошпонка, применяемая для заделки деформационных швов при соединении новых конструкций с готовыми элементами. Гидрошпонка типа ДЗС устанавливается со стороны фиксирующих анкеров в Т-образное соединение с гидрошпонкой типа ДЗ. Важно знать, что в прямолинейном направлении и при повороте ДЗС не стыкуется с ДЗ! Используемый технологический регламент при установке: ТР 186-07, приложение 6.
Почему стоит купить гидрошпонку типа ДЗС от АКВАСТОП?
- надежно герметизирует деформационный шов,
- при изготовлении используются качественные материалы,
- разработана специально для подземных сооружений и гидротехнических объектов,
- легко подбирается нужная длина и ширина.
Характеристики
|
Тип товара
|
Гидрошпонка |
|
Бренд
|
71e4c049-fdc7-11ec-8159-005056817803 |







































































